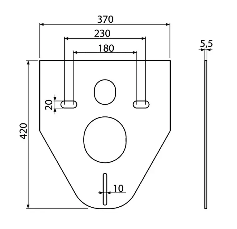
- afmetingen 420x370x5,5 mm
- onderbreking van de trillingsoverdracht tussen de muur en het te leveren voorwerp
- geen geheugeneffect
- gemakkelijk in de vorm van het inrichtingsobject te snijden
- XLPE-materiaal
Gebruik:
Voor hangend toilet en hangend bidet.
Om oneffenheden tussen het inrichtingsobject en de betegeling te compenseren.
Voor het monteren van keramiek met een aansluiting van 180 mm en 230 mm.
illustratieve foto












Beoordelingen
Er zijn nog geen beoordelingen.