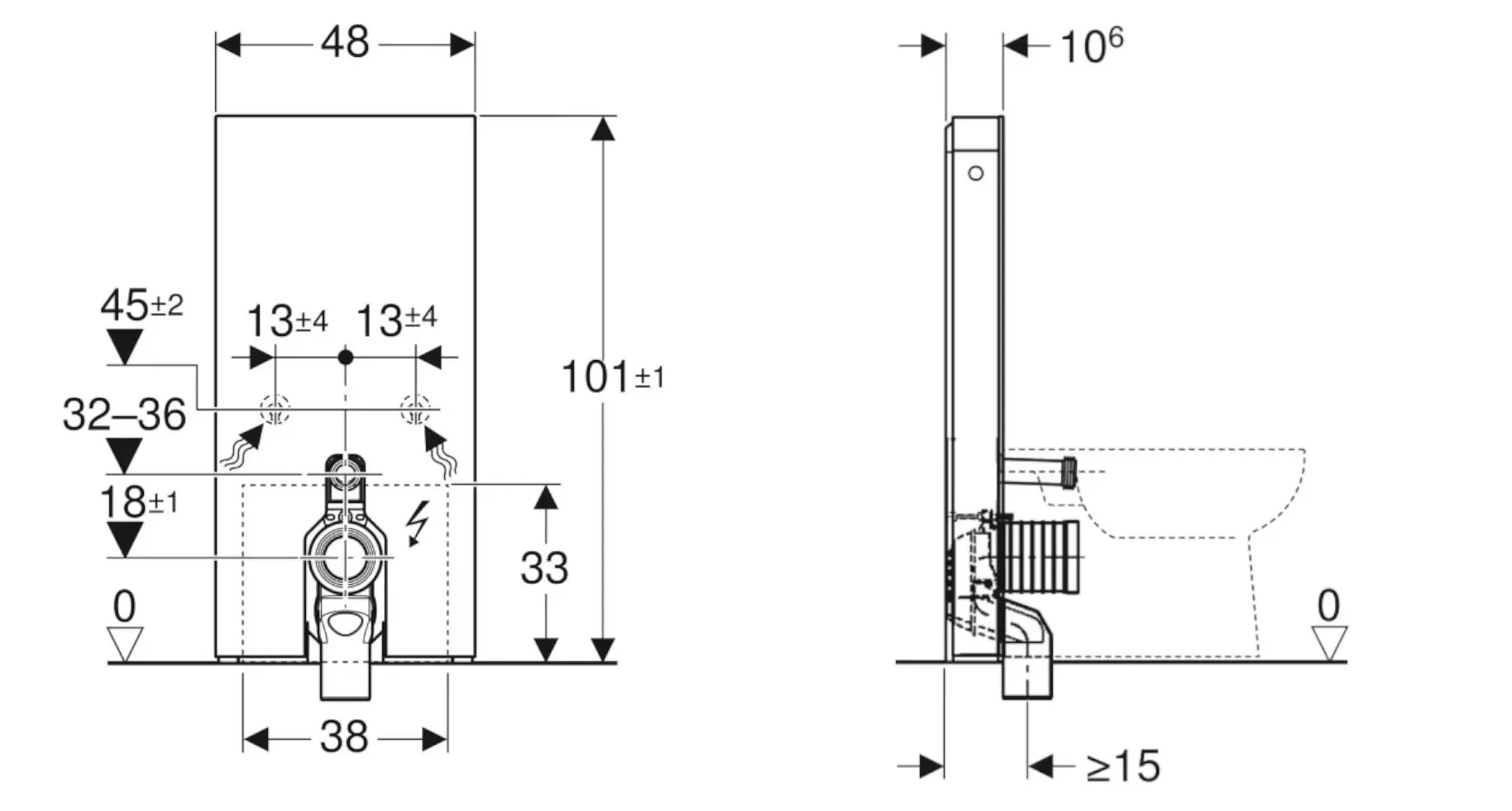
Geberit Monolith Plus sanitairmodule voor staand toilet, 101 cm
- voor het aansluiten van afvoer in de vloer
- voor renovatie, verbouwing en nieuwbouw
- voor montage met afvoer in de muur, hoogte afvoer 18 cm
- voor staande toiletten met afvoerbocht P en spoelwaterinvoerhoogte 32-36 cm vanaf de vloer (EN 33)
- voor vervanging van laag bevestigde opbouwspoelreservoirs
- ter vervanging voor staande toiletten door een spoelreservoir op de toiletpot
- voor de aansluiting van een compleet staand Geberit AquaClean Tuma toilet
- voor de aansluiting van Geberit AquaClean toiletzittingen, met accessoires
- voor installatie op afgewerkte vloeren
- voor installatie aan voorzetwanden uitgevoerd in gips en massieve muren
Kenmerken
- voorpaneel: glas – wit
- zijwand: aluminium
- afmetingen: 1010 x 480 x 106 mm
- Dual flush
- softtouchknoppen om het spoelen te starten
- instellingen kunnen uitsluitend worden gewijzigd via de Geberit Home app
- het detectiebereik van de gebruiker is instelbaar
- geurafzuiging met keramisch honingraatfilter kan worden geactiveerd
- geurafzuiging met “run-out” functie
- keramisch honingraatfilter voor de neutralisering van geuren vervangbaar zonder gereedschap
- spoelinterval instelbaar
- met ComfortLight
- lichtsfeer traploos instelbaar van oriëntatielicht tot daglicht
- lichtkleur traploos instelbaar van warm wit tot koel wit
- DALI-compatibele besturing
- werkt op laagspanning, geen netspanning in het spoelreservoir
- elektrische aansluiting op het lichtnet met een flexibele drieaderige mantelkabel
- watertoevoer bodem
- zijwatervoorziening met toebehoren mogelijk
- afstemming van constructietoleranties mogelijk
- spoelreservoir met isolatie tegen condensatie
- zijbekleding van geborsteld aluminium
- zelfdragend
Technische gegevens
- beschermingsklasse IPX4
- beschermingsklasse I
- nominale spanning 100-240 V AC
- netstroomfrequentie 50-60 Hz
- bedrijfsspanning 12 V DC
- energieverbruik 15 W
- vermogen in ruststand ≤ 0,5 W
- stromingsdruk 10-1000 kPa
- maximale watertemperatuur 25 °C
- spoelhoeveelheid, fabrieksinstelling 6 en 3 l
- groot spoelvolume, instelbereik 4-6 l
- klein spoelvolume 3 l
- lichtkleur 2200-4000 K
De verpakking bevat
- set voor wateraansluiting met 2 hoekstopkranen 1/2″
- verbindingsset verlengstuk 160 mm
- manchet van EPDM, Ø 44 / 55 mm
- aansluitbocht P van PP, Ø 90 mm
- overgangsmof van PE-HD, Ø 90 / 110 mm
- vrouwtjesconnector voor voedingsbron
- netvoeding
- afdekking sokkel
- wandbevestigingsmateriaal voor gipsmuur
- bevestigingsmateriaal












Beoordelingen
Er zijn nog geen beoordelingen.